TechInfoNet
Grundig STR-100 DX microSAT:
Fehlerbilder:
1. Keine Funktion. (1/1998)
1. Keine Funktion
Problem:
Keine Funktion.
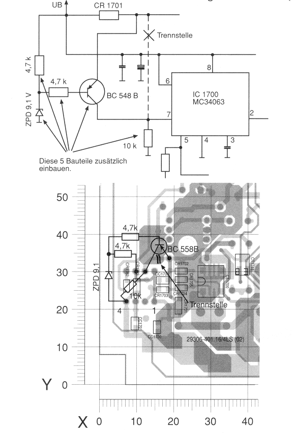
Ursache:
Ausfall des Transistors CT 1700 Si 9955 durch eine Versorgungsspannung (Batteriebetrieb) unter 9V.
Behebung:
Bei Ausfall des CT 1700 bestücken Sie zusätzlich folgende Bauteile (siehe Skizze):

| Bezeichnung | Grundig Ersatzteil-Nummer |
| BC 548 B | 8302 201 57900 |
| Z-Diode ZPD 9.1 V | 8309 720 09200 |
| Kondensator 100 pF / 1 kV | 8650 067 04600 |